gastenboek (N/A) | disclaimer
roderik .net, site van Roderik Emmerink

 

 

 

Afstuderen

Sinds 11 februari 2004 ben ik bezig met afstuderen. Dit doe ik samen met Marinus van Heuvelen (medestudent elektrotechniek). Ons afstudeerproject betreft de ontwikkeling van een robotje die je een beker koffie kan brengen. De opdracht hiertoe kun je opgeven via een webpagina, de koffiezetter ontvangt de opdracht, zet koffie en het robotje brengt deze naar de persoon toe die de koffie bestelt had.

Het systeem kun je grofweg opdelen in 3 delen en de interfaces daartussen.
A: Het front-end (webapplicatie en/of stand-alone internetapplicatie).
B: Koffiezetapparaat die opdracht ontvangt, koffie zet en het robotje aanstuurt.
C: Het robotje die de koffie aflevert.

Het robotje wordt bestuurd met een microprocessor. Hiervoor hebben wij de AT89C2051 van Atmel gekozen. Deze was voorradig, wij hadden al ervaring met de PIC 16F84c van Microchip en hebben dus ditmaal gekozen voor een Atmel microprocessor om ook hier ervaring mee op te doen.
De microprocessor regelt twee stepper motortjes die voor de verplaatsing van robot zorgdragen.

Voor de steppermotoraansturing hebben we een schakeling ontworpen en in tweevoud gerealiseerd.
Voor de microprocessor-regeling hebben we een programmer gebouwd.


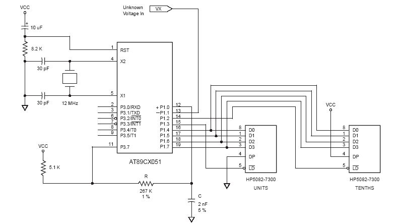
Figuur 1: Schema AD conversie

relevante links:
Datasheet AT89C2051
Atmel 8051 Microcontrollers Hardware Manual
Atmel AT89C2051 product info
AD conversie met de AT89Cx051
Duitse website over programmeren en maken van microcontroller projectjes.
Seriële programmer
Basic Compiler voor AT89Cx051
C Compiler
8051 (The EE Compendium)
8051 webring
SC51 C compiler
Elektronica projectjes met 8051 (o.a. UDP web server)
Interfacing using C tutorial voor 8051
Paul's 8051 Tools, Projects and Free Code
IP & Ethernet Interfaces
Programmers en Tools voor 8051/2051
Microcontroller based shematics
Bascom 8051

© Copyright 2025 Roderik Emmerink, hosting en webdesign door Archytas.
Alle rechten voorbehouden | xhtml validatie